機械基礎配件——液壓缸,是需要經常定制,那么怎么配置液壓缸?
情形1.您手上有圖紙
直接提供圖紙,液壓工程師核查您提供的油缸圖紙尺寸的合理性,是否有自相矛盾的尺寸,是否有一些尺寸按油缸工藝是無法達到的。根據您給出的圖紙,會再出一份外形尺寸圖,給您確認。
直接提供圖紙,液壓工程師核查您提供的油缸圖紙尺寸的合理性,是否有自相矛盾的尺寸,是否有一些尺寸按油缸工藝是無法達到的。根據您給出的圖紙,會再出一份外形尺寸圖,給您確認。
情形2.您手上有一只油缸的樣品
1)您提供樣品給我們,并說明樣品的應用設備。如果不提供樣品,則您需要提供測繪圖以及使用壓力,測繪圖上需要的關鍵尺寸有缸徑、桿徑、行程、安裝尺寸。
a.缸徑(缸筒內圓直徑,也稱內徑)\外徑(缸筒外圓直徑)▼
a.缸徑(缸筒內圓直徑,也稱內徑)\外徑(缸筒外圓直徑)▼


b.活塞桿桿徑▼


c.工作行程▼


d.安裝尺寸(包括活塞桿端尺寸、油口尺寸、安裝部位尺寸)
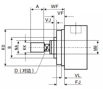
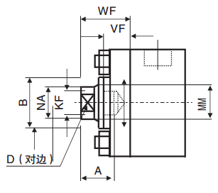
■活塞桿端尺寸:定位臺階RD、活塞桿直徑NA、螺紋尺寸KK、突出的桿長尺寸,見下圖所示。
活塞桿外螺紋無臺階▼


活塞桿外螺紋有臺階▼

活塞桿內螺紋無臺階▼


活塞桿內螺紋無臺階▼


活塞桿內螺紋有臺階▼


活塞桿端方式

.jpg)
.jpg)

■進出油口尺寸(管接頭、油管的選擇)
涉及到您管接頭、油管(軟管或硬管)的尺寸,如有特殊要求,需要跟油缸廠家明確。
■不同安裝方式有不同的安裝尺寸,以下舉例說明。
基本型安裝:
您用螺絲桿與設備的鐵板連接,此時四根螺絲桿的尺寸為安裝尺寸:
K:螺絲桿尺寸;DEXDE:安裝孔尺寸
MOB油缸基本型外形尺寸圖▼



.jpg)
前法蘭安裝:
FX*FR:安裝孔尺寸;FD:安裝孔尺寸;FT:法蘭盤厚度
HOB油缸前法蘭安裝▼

.jpg)
.jpg)


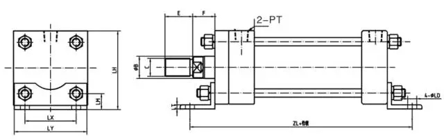
耳環安裝:安裝孔距;安裝孔直徑;扁厚工程
油缸耳環安裝▼





腳座安裝:
LX*ZL安裝孔距;T腳座厚度(影響安裝中心高)
LX*ZL安裝孔距;T腳座厚度(影響安裝中心高)
HOB油缸前后腳座▼





如何看油缸的使用壓力?1)如果油缸裝在設備上,看設備的液壓系統上的壓力表指示燈 ▼


2)如果只有油缸,可以問下是用在什么設備上的,根據設備的一般設計系統壓力來推測油缸使用壓力。


3)測量油缸的缸筒內徑和外徑,根據壁厚的尺寸,我們計算使用壓力。


情形3.無樣品無圖紙
既沒有油缸圖紙又沒有實樣,只有油缸載重或是應用場景,您可以:
1)按照《漢力達油缸樣本》選型,我們專業銷售顧問給您提供選型建議。
參考閱讀:油缸廠家手把手教您液壓油缸選型(原創,超實用)
2)您可以給我們提供油缸的應用場景,我們會根據應用場景進行初步建議。
應用場景
帶鋸床油缸▼


農機油缸▼


壓鑄模油缸▼


壓力機油缸▼


圓鋸機油缸▼


病床用油缸▼




升降平臺油缸▼



